Инженер конструктор
30 000 руб
Андрей Владимирович
Возраст
54 года (11 Января 1971)
Город
Комсомольск-на-Амуре
Переезд невозможен
Удаленная работа
32 года 4 месяца
Производство / Промышленность
Инженер-конструктор
Общий стаж работы 27лет
Из них 7 лет работал инженером конструктором 2 категория .
В обязанности входило:
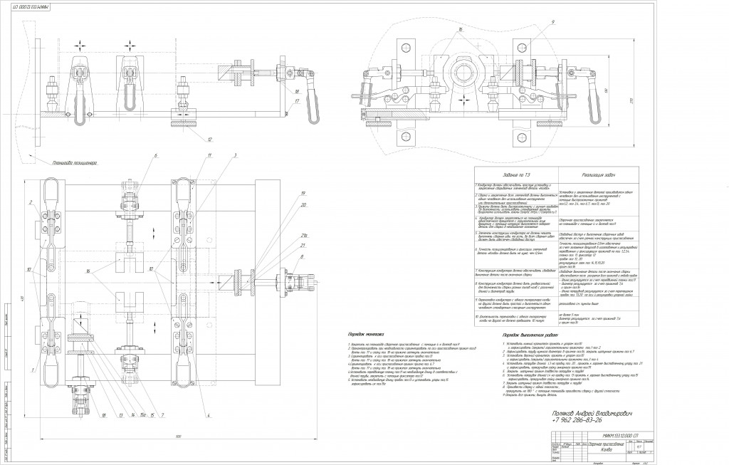
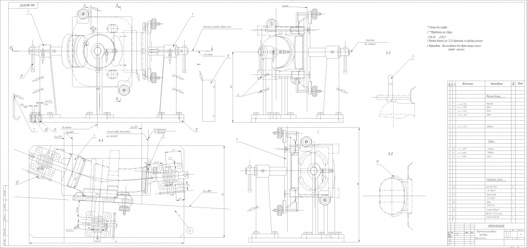
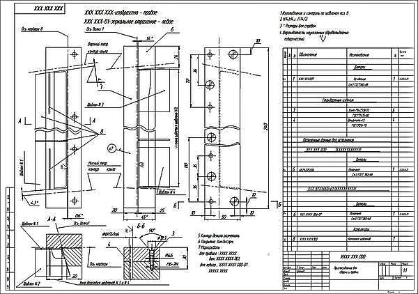
• Разработка проектной документации в ПО AutoCAD ; Компас-3D.
• Разработка конструкторской документации (разработка проектов) для:
• КМ.КМД
• сварочных приспособлений,
• технологической оснастки,
• приводов, редукторов
• спец тары.
• Проведение расчетов редукторов, гидроцелиндров и Т.Д) , для средств технического оснащения и автоматизированных систем
• Выполнение рабочей КД по согласованным эскизам и тех. Заданию
• Проектирование 3D моделей, механизмов и узлов машиностроения
• Оформление проектной и конструкторской документации согласно ЕСКД
Кроме этого, руководил конструкторской группой, (руководитель группы, конструктора 1,2,3 категории)
Руководил группой подготовки производства,
(руководитель группы, ведущий -инженер –технолог , инженер –технолог 1,2,3,категории),
Разработка, согласование технических заданий на поставку СТО.
Проведение переговоров с компаниями по согласованию технических приложений к контрактам на поставку оборудования, как с российскими, так и с зарубежными поставщиками.
Высшее
Механический факультет, Автоматизация технологических процессов и производств
Инженер - механик
Комсомольск-на-Амуре, 1988 — 1993 гг.
10 апреля, 2020
30 000 руб
Андрей Владимирович
Город
Комсомольск-на-Амуре
Возраст
54 года (11 января 1971)
Опыт работы:
32 года и 2 месяца
Последнее место работы:
Инженер конструктор, Авиастроительное объединен
09.1993 - по текущее время
17 февраля, 2016
50 000 руб
8 ноября, 2011
30 000 руб
Елена Анатольевна
Город
Комсомольск-на-Амуре
Возраст
49 лет (19 февраля 1976)
Опыт работы:
25 лет и 6 месяцев
Последнее место работы:
Инженер-конструктор, ОАО" КнААПО"
05.2000 - по текущее время
Резюме размещено в отрасли
